How to Apply Single-phase Power Supply to Three-phase Power System?
By: Willard Wu/ Technical Dept. 
willard@meanwell.com
The form of AC power can be categorized as single-phase, two-phase and three-phase. Compared to single-phase AC power, three-phase power is relatively unfamiliar to the public since it is mainly used in industrial applications, while the single-phase AC power is more prevalent due to its wide application in our daily lives.
 
As shown in Figure 1, the waveform of a single-phase AC power source is a sine wave. The frequency is mostly 50Hz or 60Hz. Single-phase AC power is generally used in low-voltage (voltage below 600V) power systems, such as household application and lighting. According to the connection method with the load, there are two types of single-phase connection, single-phase two-wire (1Φ2W) and single-phase three-wire (1Φ3W).
The three-phase AC power supply system is composed of three alternating currents of the same frequency, equal voltage amplitude, but with a 120° phase difference in between, as shown in Figure 2. Generated by a three-phase generator with three windings, the three-phase AC power supply system is commonly used in industrial applications. To ensure the stability of the generator operation, the generator requires at least three windings. Theoretically, the number of phases can be higher, but three phases are the most economical solution. Therefore, the three-phase power system is generally applied in most countries.
 
   Fig.1:Single-phase AC Waveform Fig.2:Three-phase AC Waveform
There are two ways to connect the windings of the three-phase system, star (Y) and delta (∆). The star connection is to connect one end of the three windings to the common point N, and the other end to the load, as shown in Figure 3. The common point N is called the neutral point. The lead from the neutral point is connected to the load, and there is a total of four wires connected to the load end, called a three-phase four-wire system (3Φ4W). As shown in Figure 4, there is no lead at the neutral point, called a three-phase three-wire system (3Φ3W). Generally, the neutral point is grounded. The ground is used to replace the neutral line.
The advantage lies in that the protective equipment can be added to increase safety. The voltage and current relationship between the phase and the line of the star connection is as follow.
 
a Line current IL = phase current IP
b Line voltage VL =  √3phase voltage VP
![]()  | 
			    | 
		
| Fig.3:Three-phase four-wire system (3Φ4W) (With neutral wire)  | 
			Fig.4:Three-phase four-wire system (3Φ3W) (No neutral wire)  | 
		
The delta connection is to connect the two ends of the three windings to the ends of the opposite ends of the load, forming a closed-loop, as shown in Figure 5. As there is no neutral wiring, the wiring method for delta connection is only three-phase three-wire (3Φ3W). The relationship between phase and line voltage and current is:
a Line voltage VL = phase voltage VP
b line current IL = √3 phase current IP
 

Fig.5:Three-phase of delta connection
MEAN WELL products cover a wide range of applications, not only in single-phase AC power, but also in three-phase AC power. Single-phase or three-phase AC input products can be chosen according to the demands of the application. However, since the application fields of the three-phase AC power input products are much fewer than the single-phase, the number of three-phase products is comparably less.
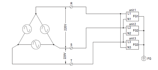
Thus, when the functions and characteristics of single-phase products meet customer needs, but in a three-phase AC power system, the configurations from figures 6 to 8 can be applied to solve the aforementioned problem. In order to make the three-phase AC power system a balanced system, the number of power supplies is recommended to be a multiple of three, and the power wattage is evenly distributed on the three-phase power system.
 
However, if the unbalance of three-phase is not an issue for the customer or the customer is able to match other system loads to achieve the balance of the three-phase power supply. Customers can also choose any product that connects the two-phase line voltage to the single-phase AC power input directly as shown in Figure 6 ~ Figure 8, VR-S / VS-T / VT-S wiring to L / N of a single-phase unit. Yet, it is a must to confirm that its AC voltage value is within the input voltage range of the product. In reality, if the end customer does not sure the type of power system it belongs to. They can simply measure the voltage value of any two lines with a digital triple meter directly. As long as the voltage value is within the input voltage range of the product, the whole system can work perfectly.

Fig.6:Three-phase of delta connection @220VA

Fig.7:Three-phase four-wire of star connection @ 220/380VAC

Fig.8:Three-phase four-wire of star connection @110/190VAC

